مشخصات فنی
اجزای داخل پکیج
این ماژول:
- برای Raspberry Pi طراحی شده
- دوربین + ارتباط رادیویی را ترکیب میکند
- به Pixhawk وصل نمیشود
- به Orin NX هم نیاز ندارد
✔ اما در کاربردهای رباتیک/پهپاد میتواند مکمل باشد
به شرط اینکه:
- ربات یا پهپاد یک Raspberry Pi جدا برای ارسال تصویر داشته باشد
- و بخواهد تصویر 5MP را تا 2 کیلومتر ارسال کند


Pi-CamLow یک HAT مخصوص رزبریپای است که برای ارتباط بیسیم قدرتمند و برد بلند با استفاده از تکنولوژی Wi-Fi HaLow طراحی شده است. این ماژول دارای یک دوربین ۵ مگاپیکسلی با پشتیبانی از تصاویر با وضوح 1944×2592 و ویدئو با نرخ 30FPS@24MHz است. چه برای نظارت ویدئویی از راه دور، خانههای هوشمند، یا پروژههای کممصرف اینترنت اشیا، Pi-CamLow یک راهکار ایدهآل برای انتقال سریع داده در محیطهای پیچیده است.
ویژگیها و مزایای کلیدی:
- فناوری Wi-Fi HaLow: مبتنی بر استاندارد IEEE 802.11ah با برد ارتباطی بلند (۱ تا ۲ کیلومتر) و سرعت انتقال تا 32.5Mbps@8.
- دوربین ۵ مگاپیکسلی داخلی: پشتیبان تصویر با وضوح بالا 1944×2592، مناسب برای تصاویر ثابت و پویا.
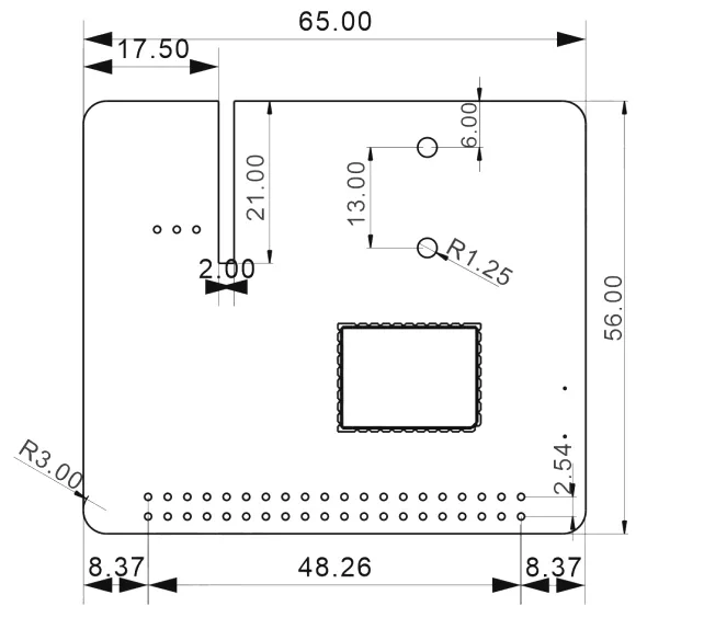
- سازگار با رزبریپای: طراحیشده به صورت یک HAT با هدر ۴۰ پین ماده، مناسب برای ادغام آسان با رزبریپای از جمله Raspberry Pi 4B.
- مصرف انرژی پایین: مناسب پروژههای IoT که نیاز به برد طولانی و عمر باتری بالا دارند.
- ویژگیهای پیشرفته ویدئویی: پشتیبانی از ویدئوی 30FPS با کنترل خودکار نوردهی (AE) و بهره (AGC) برای تصویربرداری واضح در شرایط نوری مختلف.
- کاربردهای متنوع: مناسب برای مانیتورینگ دوربرد، شهر هوشمند، IoT صنعتی و دسترسی اینترنت در مناطق روستایی.
مشخصات فنی:
- ماژول Wi-Fi HaLow: مدل HT-HC01 با عملکرد در باند فرکانس 902–928MHz مطابق استاندارد IEEE 802.11ah.
- دوربین: DVP ،۵ مگاپیکسل، با پشتیبانی از رزولوشن 1944×2592 و ویدئو 30FPS@24MHz.
- سرعت انتقال: 32.5Mbps@8M با قابلیت انتقال در مسافتهای طولانی (۱ تا ۲ کیلومتر).
- تغذیه: ۵ ولت از طریق رزبریپای.
- بازه دمایی: ۲۰- تا ۷۰+ درجه سانتیگراد، بهینهشده برای عملکرد دوربین.
- بازه رطوبتی: ۱۰٪ تا ۹۰٪ بدون میعان.
- ابعاد: ۵۶×۶۵ میلیمتر.
پیشنهادات کاربردی:
- نظارت از راه دور: مناسب برای انتقال ویدئو در مسافتهای طولانی، کاربردی برای مانیتورینگ خانه هوشمند و دوربینهای امنیتی.
- شبکههای IoT: مناسب ارتباطات کممصرف و برد بلند برای سنسورها، دستگاههای دوردست و تصویربرداری.
- افزونههای رزبریپای: ارائه یک راهکار قدرتمند برای دوربین بیسیم و مانیتورینگ در پروژههای مبتنی بر رزبریپای.
توصیف پینها:
پینهای این HAT کاملاً با رزبریپای سازگار هستند، بنابراین تنها کافی است نگاشت پینهای عملکردی ماژول با پینهای رزبریپای را بدانید.











دیدگاه خود را بنویسید